Resumen
Este trabajo está enfocado en un tópico que está siendo cada vez más atractivo a nivel industrial como el control y análisis de procesos a distancia a través de tecnología inalámbrica. El desarrollo utilizado en este trabajo se basa en el protocolo ZigBee, y aparece como una fuerte herramienta para desarrollo de aplicaciones industriales. Por lo que se desarrolla la aplicación para la automatización de un sistema de suministro de agua potable, donde se llevan a cabo acciones como la adquirir datos, realizar mediciones de nivel y volúmenes de agua, suministrar y llenar el tanque de forma manual y automática, haciendo uso de la herramienta computacional LabView para la instrumentación virtual. Con todo esto lo que se pretende es suprimir las conexiones físicas mediante cables, dando una enorme flexibilidad al sistema.

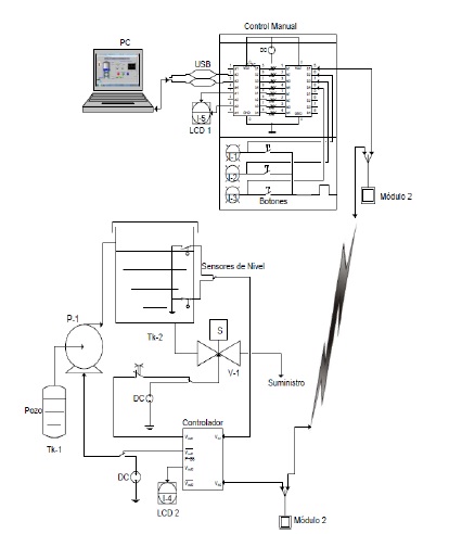
Proceso Simulado del sistema de suministro
de agua potable.

Esquema general.
una señal análoga al microcontrolador PIC16F877A, para digitalizar esta señal de datos y enviarla al módulo inalámbrico por comunicación serial USART

Diagrama de control.

Control manual del sistema.
Los sistemas de supervisión y control son aplicaciones de software, diseñados con la finalidad de adquirir información, controlar y supervisar procesos industriales desde sitios remotos.

Implementación y funcionamiento del
control manual con la interfaz de usuario.
El control manual del sistema es llevado a cabo mediante pulsadores que realizan interrupciones para ejecutar una acción de control, con el fin de que el usuario tenga el privilegio de llevar a cabo dicha acción en caso que sea conveniente. Además el control de forma manual es llevado a cabo en la interfaz realizada en LabView.

Ventana del proceso con LabView.
La utilización del módulo de supervisión y control permitió desarrollar una interfaz gráfica más amigable para el usuario ya que esta herramienta trae incorporadas imágenes para personalizar instrumentos, logrando con ello tener una mejor apariencia y vista para monitoreo del proceso.
Este sencillo sistema fue basado de un proceso real de suministro de agua potable de la vereda el Pital (magdalena), el cual consiste principalmente de un tanque, donde al iniciar el proceso se activará la bomba de forma automática ya que los sensores registran que el recipiente se encuentra en un nivel bajo, por que a medida que se va aumentando el nivel de agua, el mecanismo de la polea enviará